Custom OEM/ODM 8-104mm High-Precision Anti-Static SMD Electronic Components Customized Carrier Tapes Packaging with Different Types Manufacturers, Service

Sanyu SMD/SMT carrier tape is a special vehicle for handling, storing and transporting surface electronic components. They are usually made from PS / PC / PET / ABS/PP etc plastic materials,which could effectively protect electronic components from being damaged.They typically have a series of small holes or grooves that hold the SMD elements in place. The company has 108 high-precision carrier tape production lines,provide ODM and OEM Service and produce 8-104mm carrier tapes with various types to adapt different electronic components as per customers requirements.

Product Description

Product Description
Product Name:High-precision Carrier Tape
Carrier Tape Width:8mm—104mm
Thickness:0.2mm - 0.5mm
Material:PS / PC / PET / ABS / PP
Color:High Transparent, Black, Blue
Capacity:2 million M/Day
Supply Ability:60 million M/Month
Lead Time:5-20 Days
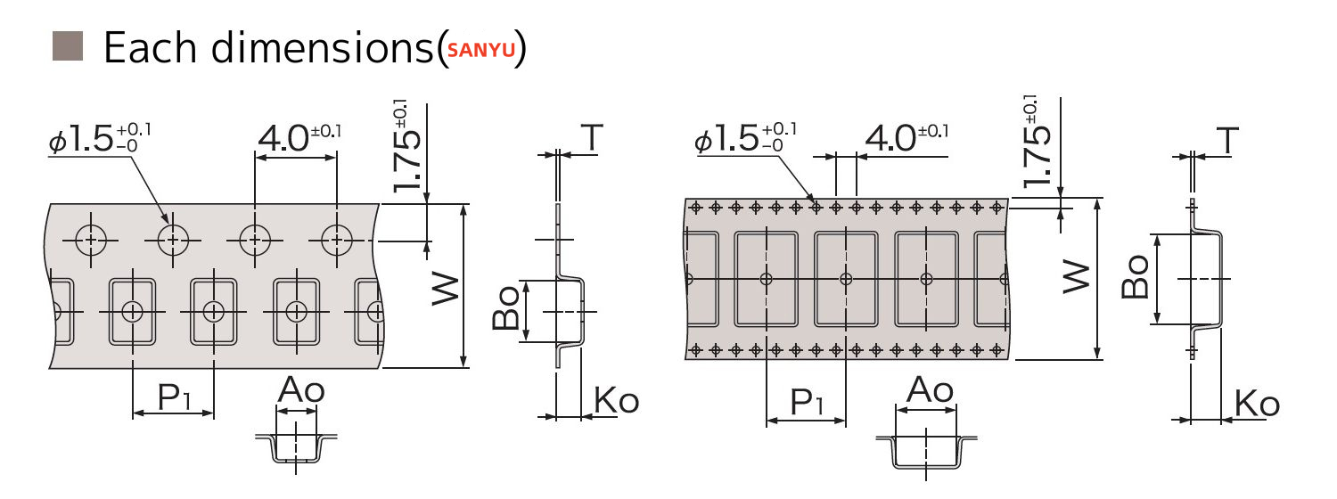
High-precision Carrier Tape Details
W (mm) Ao (mm) Bo (mm) Ko (mm) P1 (mm) T (mm)
8—104 0.6—42 0.93—45 0.32—13 4—52 0.2—0.5
Features & Advantages
01 Automated Production: Designed for efficient braiding machines and automated production lines.
02 Anti-static Protection: Made of specialized materials to prevent

Related Products